Питание тормозов постоянного тока
Питание тормозов постоянного тока может производиться с использованием различных схем в соответствии с ожидаемыми параметрами. Для питания тормоза смонтированного на двигателе следует подвести постоянный ток, поэтому нашей фирмой предлагается гамма систем выпрямления, позволяющая выбрать соответствующий вариант.
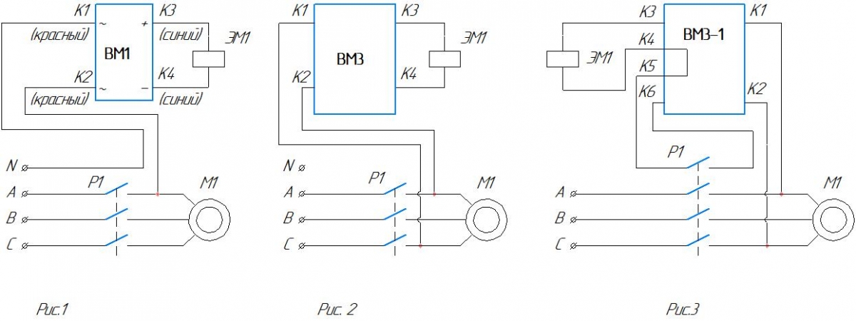
Традиционным решением является применение выпрямителей, в зависимости от напряжения переменного тока мы предлагаем ВМ1, ВМ3, ВМ3-1.
Выпрямительные модули ВМ1 и ВМ3 построены на базе полупроводников типа MOSFET, что позволило получить эффект управления электромагнитом тормоза с минимальным временем включения и отключения. При этом не используются какие-либо дополнительные коммутирующие устройства. Выпрямительные модули ВМ1 и ВМ3 имеют 4 вывода и подключаются по схемам, показанным на рис.1,2.
Выпрямительный модуль ВМ1 подключается к цепи 220/230В, а ВМ3 – к цепи 380/400В.
Выпрямительный модуль ВМ3-1 собран на базе высоковольтных диодов с защитой входных и выходных цепей варисторами. Выпрямительный модуль ВМ3-1 имеет 6 выводов и подключается по схеме, показанной на рис.3. Разъединение цепи питания тормоза (К4-К5-К6) по стороне постоянного тока дополнительным контактом пускателя Р1 обеспечивает более быстрое срабатывание тормоза.
Если контакты К5-К6 замкнуть между собой, то работать выпрямитель ВМ3-1 будет аналогично выпрямителю ВМ3.
Выпрямительный модуль при подключении к сети переменного тока максимальным напряжением 400В позволяет получить постоянное напряжение величиной 400В : 2,22 = 180V. Максимальный выпрямленный ток не более 2 А.
Выводы выпрямительных модулей опрессованы присоединительными наконечниками, облегчающими монтаж.
