Дисковые тормоза тип Э
Тормоза типов Э предназначены для фиксации вала электродвигателя при отключении от питающей сети и устанавливаются на электродвигатели типа АИР (АИС) на задний щит электродвигателя (со стороны вентилятора.) Возможно использование в составе приводов в качестве стояночного тормоза.
Тормоза подключаются к независимому источнику питания и могут быть использованы в составе частотно-регулируемого привода. Либо включаются параллельно с фазной обмоткой статора через выпрямитель. Поставляются в составе электродвигателя с тормозом с выпрямителем, размещаемым в клеммной коробке двигателя.
Тормоза могут иметь рукоятку ручного растормаживания тормоза (для растормаживания при отсутствии напряжения питания).
Конструкция и принцип действия тормозов типа Э

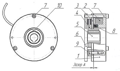
1 - Корпус электромагнита; 2 - Катушка; 3 - Якорь; 4 - Тормозной диск; 5 - Втулка (по запросу); 6 - Фланец крепежный; 7 - Регулировочный винт; 8 - Пружина; 9 - Крепежный болт; 10 - Шпонка;
В случае отсутствия подачи тока на катушке (2) тормозной диск (4) фрикционными накладками прижимается якорем (3) к крепежному фланцу (6) силой пружин. Тормозной момент передается с тормозного диска через шпонку (10) на втулку (5), расположенную на валу двигателя. Величину тормозного момента регулируется количеством пружин (8).
Постоянный ток, поступающий на катушку электромагнита (2), вызывает притягивание якоря и сжимание пружин (8), тем самым происходит освобождение тормозного диска и отпуск тормоза. Регулировочные болты определяют расстояние между электромагнитом и крепежным фланцем, тем самым устанавливают величину зазора. Крепежные болты жестко фиксируют корпус электромагнита относительно фланца.
Размеры тормозов типа Э

*В связи с постоянной работай по совершенствованию тормозов, в конструкцию могут быть внесены незначительные изменения.
Технические характеристики
Характеризуются высокой надежностью работы, стабильностью технических параметров, а также коротким временем торможения и отпуска. Тормоза изготавливаются на типичные величины напряжения постоянного тока: 24, 48, 100, 110, 170, 180, 207 В, что позволяет осуществлять питание из источников переменного тока величиной 220, 230, 380, 400 В с использованием соответствующего выпрямителя. Существует возможность изготовления тормозов для других нетипичных напряжений.
Основные параметры тормозов приведены в таблице.
| Параметры | Тип тормоза | |||||||||||
|---|---|---|---|---|---|---|---|---|---|---|---|---|
| Э63 | Э71 | Э80 | Э90 | Э100 | Э112 | Э132 | ||||||
| Питающее напряжение Un | В | 24 , 48 , 100 , 110 , 170 , 180 , 207 | ||||||||||
| Потребляемая мощность P20 | Вт | 16 | 25 | 32 | 40 | 50 | 55 | 65 | ||||
| Макс. обороты nmax | мин-1 | 3000 | ||||||||||
| Тормозной момент Mh | Нм | 4 | 8 | 16 | 32 | 45 | 80 | 150 | ||||
| Масса G | кг | 1,6 | 1,6 | 3 | 4 | 5,5 | 10 | 18 | ||||
| Время действия | Отключение по стороне постоянного тока | t 01 | мс | 35 | 65 | 90 | 120 | 150 | 180 | 300 | ||
| t 09 | мс | 17 | 35 | 40 | 50 | 65 | 90 | 110 | ||||
| Отключение по стороне переменно-го тока | t 01 | мс | 35 | 65 | 90 | 120 | 150 | 180 | 300 | |||
| t 09 | мс | Отключение тормоза по стороне переменного тока вызывает около 5-ти кратный рост времени торможения по сравнению с отключением по стороне постоянного тока. |
||||||||||
t 01 - время включения, измеряемое от момента включения тока до момента, когда тормозящий момент уменьшится до 10% Mh
t 09 - время отключения, измеряемое от момента отключения тока до момента, когда тормозящий момент достигнет величину 90% Mh